RVB entre Barr et Sélestat (67) 2018

Suivez l'avancée des chantiers français dans ce forum

RVB entre Barr et Sélestat (67) 2018

Messagepar Bruno37 » 26 Juin 2018 08:26

Bonjour à tous
Voici un nouveau sujet avec les travaux de voie entre Barr et Sélestat à partir du 25 avril 2018 pour le RVB

SNCF Réseau réalise des travaux de renouvellement de voie entre Barr et Sélestat
Les travaux de modernisation de la ligne entre Barr et Sélestat se déroulent en 2 phases, la première a eu lieu en 2017 et
la seconde durant l’année 2018
Ils permettent l’amélioration du confort sur tout le trajet pour les voyageurs grâce à une voie et des quais totalement renouvelés, une réduction des temps de trajet et le rétablissement de la vitesse à 80 km/h, indique encore la SNCF.

Les travaux dans le détail
En 2017 : renouvellement de 6 km de voie et travaux sur les quais de Barr côté Bâtiment voyageurs et d’Epfig, amélioration de l’accessibilité des quais de Sélestat à Barr.

En 2018:
Du 22 janvier au 16 mars : débroussaillage
Il vise à maîtriser le développement d’une végétation arbustive sur les abords des talus ferroviaires, qui risque de masquer les signaux ou de s’étendre sur la voie. Sur ce chantier en particulier, les importantes chutes de feuilles ont posé des problèmes hydrauliques entraînant le colmatage des fossés.

Du 23 avril au 06 mai : création de rampes d’accès routier à la plate-forme, mise en place provisoires de câbles au droit des zones d’assainissement lourd, travaux de renouvellement des passages à niveau n°4 et 12.

Du 25 juin au 31 août :
+ renouvellement de voie et ballast sur 10 km
+ travaux de mise en accessibilité des quais de Scherwiller, Eichhoffen et Dambach La Ville
+ rétablissement des dispositifs d’écoulement des eaux (fossés longitudinaux, fossés latéraux, buses, collecteurs)
+ automatisation du passage à niveau n°13 et suppression du passage à niveau n°14 de Dambach la ville

Du 19 octobre au 05 novembre : travaux de régénération de la voie E de Barr

Du 05 novembre au 1er décembre : travaux de nuit de mise aux normes du quai central de la gare de Barr
Les incidences des périodes travaux sur la circulation des trains
La réalisation des travaux sur la ligne Strasbourg Molsheim Obernai Sélestat entraîne la suppression partielle ou totale de certains trains et le remplacement par des autocars.

Du 23 avril au 05 mai et du 20 octobre au 4 novembre, les horaires sont modifiés. Certains trains TER sont partiellement ou totalement supprimés et remplacés par des cars.

Du 25 juin au 31 août, tous les trains seront remplacés par des cars de substitution entre les gares de Barr et Sélestat

La végétation
Traiter la végétation aux abords des voies ferrées est une priorité pour SNCF Réseau afin d’assurer la sécurité des circulations et la régularité des trains. 578 000 minutes sont perdues chaque année directement ou indirectement à cause de la végétation.

Une végétation abondante peut également être un danger pour les agents SNCF présents sur les voies entrainant des accidents de plain-pied mais aussi entraver l’accès du personnel compétent lors d’opérations de secours. La non-maîtrise de la végétation peut empêcher la surveillance des équipements de la voie et obstruer les installations de signalisation, les rendant moins visibles. Elle peut également provoquer des ralentissements ou interruptions des circulations ou causer des courts-circuits de l’alimentation électrique.

Sur les zones de végétation dense, SNCF Réseau a pour objectif de passer d’une maintenance corrective ou d’urgence, à une maintenance pluriannuelle. Ce plan de gestion est élaboré en amont afin de planifier les travaux à réaliser et remettre en conformité les zones sur lesquelles la végétation pourrait représenter un risque majeur. A moyen terme, SNCF Réseau vise à privilégier une gestion mécanique pour diminuer peu à peu le recours aux produits phytosanitaires et maintenir une végétation mixte, prairiale et ligneuse arbustive dans les abords.

Un montant de 20 M€ HT
Le projet est inscrit au Contrat de Plan Etat-Région 2015-2020 pour un montant de 20 M€ HT réparti comme suit :
- SNCF Réseau : 1 M€
- la Région Grand Est : 13 M€
- l’Etat : 6 M€

la suite de l'article sur https://www.dna.fr/actualite/2018/04/17 ... r-selestat
-------------------------------------------------------------------------------------------------------------------------------------------------------
un autre article
SNCF: la ligne Barr-Sélestat interrompue pendant deux mois pour travaux, des bus en remplacement
Des travaux sur le tronçon Barr-Sélestat de la ligne A07 (Strasbourg-Obernai-Barr-Sélestat) ont lieu du lundi 25 juin au vendredi 31 août. Ils sont nécessaires pour moderniser la ligne. Les trains à l’arrêt seront remplacés par des bus.

Par Vincent Ballester le 25/06/2018
Plus de train entre Barr et Sélestat. Mais c’est pour la bonne cause: la SNCF Réseau rénove les 18 kilomètres de voies entre les deux communes du Bas-Rhin. Les travaux ont lieu du lundi 25 juin au vendredi 31 août. Tous les trains sont à l’arrêt, mais ils sont remplacés par des bus. Les nouvelles fiches horaires sont consultables ici et là pour certains détails de dessertes, ainsi que ci-dessous.

la suite sur https://france3-regions.francetvinfo.fr ... 00753.html
"crains qu'un jour un train ne t'émeuve plus" Apollinaire
Avatar de l’utilisateur
Bruno37
Modérateur
Modérateur
 
Messages: 23001
Inscription: 08 Fév 2014 17:35
Localisation: Indre et Loire 37

Re: RVB entre Barr et Sélestat (67) 2018

Messagepar Bruno37 » 26 Juin 2018 09:38

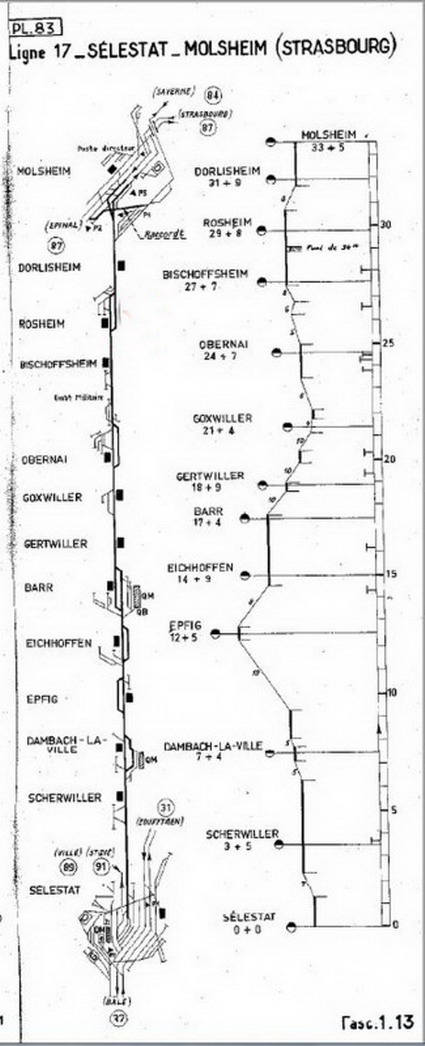
et voilà les cartes pour les chantiers et de la ligne A07 Strasbourg-Obernai-Barr-Sélestat ex ligne 17 de Sélestat à Saverne
Dans l'ancienne nomenclature de la région Est de la SNCF, cette ligne était divisée en deux sections qui étaient numérotées
« ligne 17 » pour la « ligne Sélestat – Molsheim (Strasbourg) » et « ligne 17.3 » pour la « ligne Saverne - Molsheim ».
Elle constitue maintenant la ligne n°111 0001 du réseau ferré national
Gare_de_Rosheim_.jpg
carte des chantier en Alsace en 2018
Ligne (1).jpg
carte de la ligne Sélestat à Molsheim en 2018
Ligne Sélestat.jpg
carte de la ligne Sélestat à Molsheim ex ligne 17
"crains qu'un jour un train ne t'émeuve plus" Apollinaire
Avatar de l’utilisateur
Bruno37
Modérateur
Modérateur
 
Messages: 23001
Inscription: 08 Fév 2014 17:35
Localisation: Indre et Loire 37

Re: RVB entre Barr et Sélestat (67) 2018

Messagepar Bruno37 » 26 Juin 2018 09:49

et voici les premières photos du 25 juin 2018 de notre reporter alsacien sur le terrain Gabriel Schweitzer que je :coucou:
avec la sortie Sud de la gare de Barr en direction de Sélestat avec la neutralisation des voies avec la pose des lanternes

Établie à 202 mètres d'altitude, la gare de Barr est située au point kilométrique (PK) 17,434 de la ligne de Sélestat à Saverne
en voie unique entre les gares d'Eichhoffen et de Gertwiller.
Gare d'évitement, elle dispose d'une deuxième voie pour le croisement des trains.
2018-06-25 gare de Barr (1).jpg
gare de Barr en direction de Sélestat le 25-06-2018
2018-06-25 gare de Barr (2).jpg
gare de Barr en direction de Sélestat le 25-06-2018
2018-06-25 gare de Barr (3).jpg
gare de Barr en direction de Sélestat le 25-06-2018

gare de Barr.jpg
Gare de Barr terminus de la ligne Strasbourg Barr à partir du 25 juin 2018 avec deux AGCX non TTX
"crains qu'un jour un train ne t'émeuve plus" Apollinaire
Avatar de l’utilisateur
Bruno37
Modérateur
Modérateur
 
Messages: 23001
Inscription: 08 Fév 2014 17:35
Localisation: Indre et Loire 37

Re: RVB entre Barr et Sélestat (67) 2018

Messagepar Bruno37 » 26 Juin 2018 10:03

arrivée en gare de Barr du premier engin qui arrive de la région parisienne pour les travaux sur la ligne avec le camion
SCANNIA R560 de la société Transport STRAUMANN de Colmar
avec la Pelle Rail route DOOSAN DX 160 W Rail Way n°DWBEUR06H800555102 de 2009 de Delcourt Ferroviaire parc n°4

Transport STRAUMANN de Colmar http://www.transport-straumann.fr/
Leader du transport dans l' Est
Depuis 1890 à Colmar, dans le Haut Rhin, la société Straumann Transports Spéciaux se distingue par son savoir-faire dans le transport exceptionnel, essentiellement dans le grand Est, mais aussi dans les deux pays frontaliers, l' Allemagne et la Suisse.
2018-06-26 gare de Barr (1).jpg
le camion SCANNIA R560 de la société Transport STRAUMANN de Colmar gare de Barr le 25-06-2018
SCANNIA R560 de la société Transport STRAUMANN de Colmar
2018-06-26 gare de Barr (2).jpg
le camion SCANNIA R560 de la société Transport STRAUMANN de Colmar gare de Barr le 25-06-2018
2018-06-26 gare de Barr (3).jpg
le camion SCANNIA R560 de la société Transport STRAUMANN de Colmar gare de Barr le 25-06-2018
2018-06-26 gare de Barr (4).jpg
la Pelle Rail route DOOSAN DX 160 W Rail Way n°DWBEUR06H800555102 de 2009 de Delcourt Ferroviaire parc n°4 gare de Barr le 25-06-2018
"crains qu'un jour un train ne t'émeuve plus" Apollinaire
Avatar de l’utilisateur
Bruno37
Modérateur
Modérateur
 
Messages: 23001
Inscription: 08 Fév 2014 17:35
Localisation: Indre et Loire 37

Re: RVB entre Barr et Sélestat (67) 2018

Messagepar Bruno37 » 26 Juin 2018 10:05

2018-06-25 gare de Barr (7).jpg
la Pelle Rail route DOOSAN DX 160 W Rail Way n°DWBEUR06H800555102 de 2009 de Delcourt Ferroviaire parc n°4 gare de Barr le 25-06-2018
"crains qu'un jour un train ne t'émeuve plus" Apollinaire
Avatar de l’utilisateur
Bruno37
Modérateur
Modérateur
 
Messages: 23001
Inscription: 08 Fév 2014 17:35
Localisation: Indre et Loire 37

Re: RVB entre Barr et Sélestat (67) 2018

Messagepar Bruno37 » 26 Juin 2018 16:14

Capture.jpg
Info pour la fermeture de la ligne entre Barr et Sélestat à partir du 25 juin 2018
"crains qu'un jour un train ne t'émeuve plus" Apollinaire
Avatar de l’utilisateur
Bruno37
Modérateur
Modérateur
 
Messages: 23001
Inscription: 08 Fév 2014 17:35
Localisation: Indre et Loire 37

Re: RVB entre Barr et Sélestat (67) 2018

Messagepar Bruno37 » 29 Juin 2018 16:13

:coucou:
Voici les premières photos du RVB avec notre reporter alsacien sur le terrain Gabriel Schweitzer
on débute avec la photo de Morgaan Barthaux le conducteur de la Pelle Rail route Hitachi D2R ZX 170 PRR série C182 de Fornoni
avec la vue sur l'autre Pelle Rail route Atlas 1404 ZW AW4 n°241Z301683 de Fouchard & Renard le 26 juin 2018 au niveau de la commune d'Epfig (67)
2018-06-26%20Barr%20(1).jpg
Atlas 1404 ZW AW4 n°241Z301683 de Fouchard & Renard le 26 juin 2018 au niveau de la commune d'Epfig (67)

pour la suite nous somme le 28 juin 2018 à Dambach-la-Ville PK 7,415 de la ligne de Sélestat à Saverne
dans un environnement verdoyant et champêtre à 187 mètres d'altitude
2018-06-28 Dombach la Ville (0).jpg
Dambach la Ville avec une vue générale de l'Alsace avec les châteaux le 28 juin 2018
2018-06-28 Dombach la Ville (1).jpg
la gare de Dambach-la-Ville PK 7,415 le 28 juin 2018
2018-06-28 Dombach la Ville (2).jpg
Dambach-la-Ville PK 7,415 le 28 juin 2018
"crains qu'un jour un train ne t'émeuve plus" Apollinaire
Avatar de l’utilisateur
Bruno37
Modérateur
Modérateur
 
Messages: 23001
Inscription: 08 Fév 2014 17:35
Localisation: Indre et Loire 37

Re: RVB entre Barr et Sélestat (67) 2018

Messagepar Bruno37 » 29 Juin 2018 16:17

Secteur Dambach-la-Ville avec le renouvellement total de la voie et du ballast
2018-06-28 Dombach la Ville (3).jpg
Dambach-la-Ville PK 7,415 d'un côté le 28 juin 2018
2018-06-28 Dombach la Ville (4).jpg
Dambach-la-Ville PK 7,415 et de l'autre le 28 juin 2018
"crains qu'un jour un train ne t'émeuve plus" Apollinaire
Avatar de l’utilisateur
Bruno37
Modérateur
Modérateur
 
Messages: 23001
Inscription: 08 Fév 2014 17:35
Localisation: Indre et Loire 37

Re: RVB entre Barr et Sélestat (67) 2018

Messagepar Bruno37 » 29 Juin 2018 16:27

voici le travail de Morgaan Barthaux avec sa Pelle Rail route Hitachi D2R ZX 170 PRR série C182 n°JK6CGA04900020871 de Fornoni
positionnement des tronçons de rails tout au long du chantier dans le secteur de Dambach-la-Ville
2018-06-28 Dombach la Ville (11).jpg
positionnement des tronçons de rails avec la Pelle Rail route Hitachi D2R ZX 170 PRR
série C182 Dambach-la-Ville le 28-06-2018
2018-06-28 Dombach la Ville (12).jpg
positionnement des tronçons de rails avec la Pelle Rail route Hitachi D2R ZX 170 PRR
série C182 Dambach-la-Ville le 28-06-2018
2018-06-28 Dombach la Ville (13).jpg
positionnement des tronçons de rails avec la Pelle Rail route Hitachi D2R ZX 170 PRR série C182 Dambach-la-Ville le 28-06-2018
2018-06-28 Dombach la Ville (14).jpg
positionnement des tronçons de rails avec la Pelle Rail route Hitachi D2R ZX 170 PRR série C182 Dambach-la-Ville le 28-06-2018
"crains qu'un jour un train ne t'émeuve plus" Apollinaire
Avatar de l’utilisateur
Bruno37
Modérateur
Modérateur
 
Messages: 23001
Inscription: 08 Fév 2014 17:35
Localisation: Indre et Loire 37

Re: RVB entre Barr et Sélestat (67) 2018

Messagepar Bruno37 » 29 Juin 2018 16:36

nous somme au niveau du PN n°14 à Dambach-la-Ville pour le décapage jusqu'au sol de tout le ballast et évacuation
par une noria de camion
2018-06-28 Dombach la Ville (15).jpg
décapage jusqu'au sol de tout le ballast au niveau du PN n°14 Dambach-la-Ville le 28-06-2018
2018-06-28 Dombach la Ville (16).jpg
décapage jusqu'au sol de tout le ballast au niveau du PN n°14 Dambach-la-Ville le 28-06-2018
2018-06-28 Dombach la Ville (17).jpg
PN n°14 Dambach-la-Ville le 28-06-2018
2018-06-28 Dombach la Ville (18).jpg
PN n°14 Dambach-la-Ville le 28-06-2018
"crains qu'un jour un train ne t'émeuve plus" Apollinaire
Avatar de l’utilisateur
Bruno37
Modérateur
Modérateur
 
Messages: 23001
Inscription: 08 Fév 2014 17:35
Localisation: Indre et Loire 37

Re: RVB entre Barr et Sélestat (67) 2018

Messagepar Bruno37 » 29 Juin 2018 16:41

2018-06-28 Dombach la Ville (18.jpg
PN n°14 Dambach-la-Ville le 28-06-2018
2018-06-28 Dombach la Ville (18;.jpg
fermeture du PN n°14 Dambach-la-Ville le 28-06-2018
2018-06-28 Dombach la Ville (19).jpg
PN n°14 Dambach-la-Ville le 28-06-2018
2018-06-28 Dombach la Ville (20).jpg
les camions pour Levieux ballast au niveau du PN n°14 Dambach-la-Ville le 28-06-2018
"crains qu'un jour un train ne t'émeuve plus" Apollinaire
Avatar de l’utilisateur
Bruno37
Modérateur
Modérateur
 
Messages: 23001
Inscription: 08 Fév 2014 17:35
Localisation: Indre et Loire 37

Re: RVB entre Barr et Sélestat (67) 2018

Messagepar Bruno37 » 29 Juin 2018 16:52

Notre ami Morgaan au niveau du PN 13 de Dambach-la-Ville enlève des tronçons de rails avec les traverses pour les entreposer le long
de la futur nouvelle voie et qui seront récupérés plus tard
2018-06-28 Dombach la Ville (21).jpg
enlèvement des tronçons de rails au niveau du PN 13 de Dambach-la-Ville le 28-06-2018
2018-06-28 Dombach la Ville (22).jpg
enlèvement des tronçons de rails au niveau du PN 13 de Dambach-la-Ville le 28-06-2018
2018-06-28 Dombach la Ville (24).jpg
enlèvement des tronçons de rails au niveau du PN 13 de Dambach-la-Ville le 28-06-2018
2018-06-28 Dombach la Ville (24).jpg
enlèvement des tronçons de rails au niveau du PN 13 de Dambach-la-Ville le 28-06-2018
"crains qu'un jour un train ne t'émeuve plus" Apollinaire
Avatar de l’utilisateur
Bruno37
Modérateur
Modérateur
 
Messages: 23001
Inscription: 08 Fév 2014 17:35
Localisation: Indre et Loire 37

Re: RVB entre Barr et Sélestat (67) 2018

Messagepar Bruno37 » 30 Juin 2018 14:33

:coucou:
Je suis de retour pour la suite du reportage de Gabriel Schweitzer à Dambach-la-Ville le 28 juin 2018
2018-06-28 Dombach la Ville (25).jpg
enlèvement des tronçons de rails au niveau du PN 13 de Dambach-la-Ville le 28-06-2018
2018-06-28 Dombach la Ville (26).jpg
Découpe au chalumeau des tronçons de voie au niveau du PN 13 de Dambach-la-Ville le 28-06-2018
2018-06-28 Dombach la Ville (27).jpg
Découpe au chalumeau des tronçons de voie au niveau du PN 13 de Dambach-la-Ville le 28-06-2018
2018-06-28 Dombach la Ville (28).jpg
Découpe au chalumeau des tronçons de voie au niveau du PN 13 de Dambach-la-Ville le 28-06-2018
"crains qu'un jour un train ne t'émeuve plus" Apollinaire
Avatar de l’utilisateur
Bruno37
Modérateur
Modérateur
 
Messages: 23001
Inscription: 08 Fév 2014 17:35
Localisation: Indre et Loire 37

Re: RVB entre Barr et Sélestat (67) 2018

Messagepar Bruno37 » 30 Juin 2018 14:49

Train n°F2 pour l'approvisionnement des LRS en provenance de Sélestat avec la rame de déchargement n° 28 - SNCF RESEAU ex SNCF-PN
composition de la rame :
- G 1206 BB 5001573 - 92 87 0 061 758-4 F-ATLD d'Alpha Train en location à CTSF (Compagnie de Transport et de Service Ferroviaire)
- 40 87 959 7 100-6 Us V76 1 F-SNCFR - SNCF RESEAU (wagon pour le déchargement des LRS)
- 40 87 959 7 102-2 Us V76 1 F-SNCFR - SNCF RESEAU (wagon pour le déchargement des LRS)
- 80 87 977 2 xxx-x Uas S03 6 F-SNCFR - SNCF RESEAU (wagons de transport des LRS) X par 7 wagons
- 80 87 977 1 xxx-x- Uas S04 6 F SNCFR SNCF RESEAU (wagon de fin de rame des LRS)
2018-06-28 Dombach la Ville (29).jpg
rame de déchargement des LRS n°28 à Dambach-la-Ville le 28 juin 2018
2018-06-28 Dombach la Ville (30).jpg
rame de déchargement des LRS n°28 à Dambach-la-Ville le 28 juin 2018
2018-06-28 Dombach la Ville (31).jpg
rame de déchargement des LRS n°28 à Dambach-la-Ville le 28 juin 2018
2018-06-28 Dombach la Ville (32).jpg
rame de déchargement des LRS n°28 à Dambach-la-Ville le 28 juin 2018
"crains qu'un jour un train ne t'émeuve plus" Apollinaire
Avatar de l’utilisateur
Bruno37
Modérateur
Modérateur
 
Messages: 23001
Inscription: 08 Fév 2014 17:35
Localisation: Indre et Loire 37

Re: RVB entre Barr et Sélestat (67) 2018

Messagepar Bruno37 » 30 Juin 2018 14:56

2018-06-28 Dombach la Ville (33).jpg
rame de déchargement des LRS n°28 avec en queue la G 1206 BB 5001573 - 92 87 0 061 758-4 F-ATLD de CTSF
à Dambach-la-Ville le 28 juin 2018
2018-06-28 Dombach la Ville (34).jpg
rame de déchargement des LRS n°28 avec en queue la G 1206 BB 5001573 - 92 87 0 061 758-4 F-ATLD de CTSF
à Dambach-la-Ville le 28 juin 2018
2018-06-28 Dombach la Ville (35).jpg
rame de déchargement des LRS n°28 avec en queue la G 1206 BB 5001573 - 92 87 0 061 758-4 F-ATLD de CTSF
à Dambach-la-Ville le 28 juin 2018
2018-06-28 Dombach la Ville (36).jpg
rame de déchargement des LRS n°28 avec en queue la G 1206 BB 5001573 - 92 87 0 061 758-4 F-ATLD de CTSF
à Dambach-la-Ville le 28 juin 2018
"crains qu'un jour un train ne t'émeuve plus" Apollinaire
Avatar de l’utilisateur
Bruno37
Modérateur
Modérateur
 
Messages: 23001
Inscription: 08 Fév 2014 17:35
Localisation: Indre et Loire 37

Suivante

Retourner vers Les chantiers

Qui est en ligne

Utilisateurs parcourant ce forum: Aucun utilisateur enregistré et 2 invités

cron